摘要
安科瑞的医疗IT系统解决方案是一个集硬件设备、通讯网络与监控软件于一体的综合性平台。该方案旨在为医院2类场所提供安全、可靠、连续的配电服务。
从系统架构上看,该方案可分为三个层次:现场设备层、网络传输层和集中监控层。现场设备层由部署在各手术室、ICU的隔离电源柜及其内部的核心功能模块组成,负责数据的采集与就地报警。网络传输层通常采用RS-485或CAN现场总线技术,将分散的设备连接成网络。集中监控层则设置于医院后勤值班室或总监控中心,通过安科瑞专用的IT配电监控系统软件,实现对全院所有医疗IT系统的统一管理与监控。
安科瑞将其产品以模块化、套件化的形式推出,常见的有“五件套”、“六件套”和“七件套”等组合,以适应不同预算和功能需求的场景。这种设计使得系统配置灵活,便于安装、维护与扩展。
医用隔离电源监控系统
系统拓扑图

随着电子医疗设备在医院领域的广泛应用,漏电流对病人构成的威胁也越来越大,尤其是那些生命攸关的场所,病人在手术中或麻醉状态下,各种电传感器直接插入人体内,微小的漏电都有可能导致病人触电身亡。另外有些医疗设备用于维持重症病人的生命,一旦设备停电,也会对病人的生命构成威胁。因此,对于医院这一特殊场所的电气设计,应严格按照国家标准和规范要求,采用IT系统供电。
安科瑞医用隔离电源系统(医疗IT系统)适用于医院的手术室、ICU(CCU)监护病房等重要场所,能为这类场所提供安全、连续、可靠的供电解决方案。
医用隔离电源监控系统是安科瑞EMS企业微电网能效管理云平台的子系统,用于集中监控医院门急诊楼、住院楼等场所所有医疗2类场所医用隔离电源系统的运行状态,实时监测各系统的绝缘状况、负载率及变压器的运行温度。当某套隔离电源系统出现故障,系统能发出报警信息,提醒工作人员及时排查故障,消除隐患,保障各医用隔离电源的安全可靠运行。
产品选型
jrhz.info


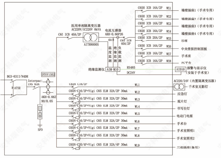
应用方案1——手术室配电解决方案(四件套)

应用方案2——手术室配电解决方案(五件套)

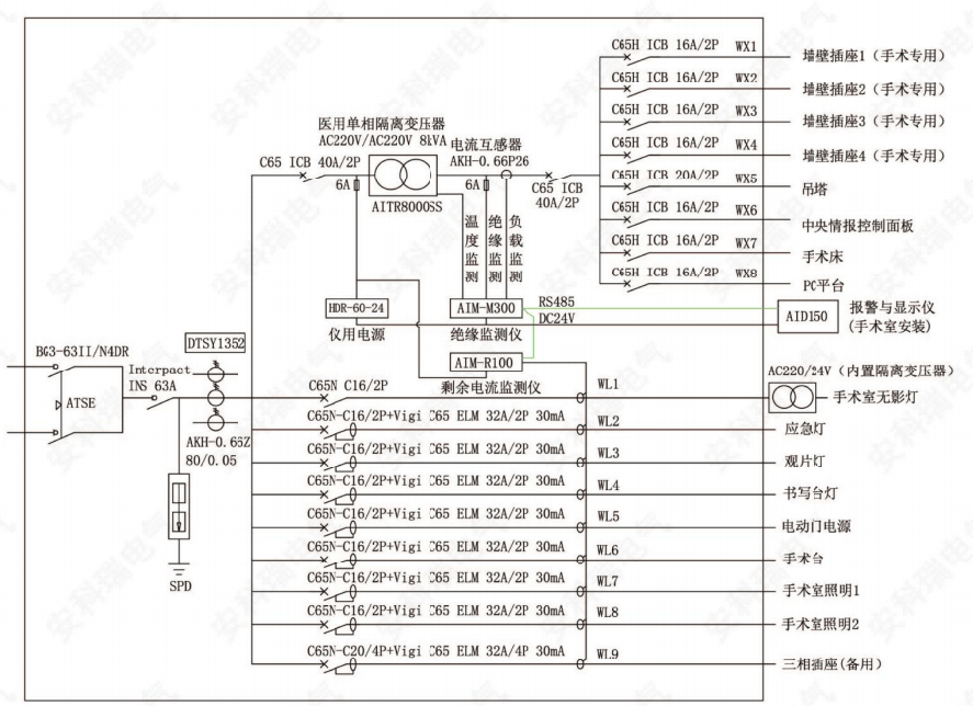
应用方案3——ICU配电解决方案(六件套)


总结
医疗电气安全是医院安全运行的基石。安科瑞电气提供的医疗IT绝缘监测故障定位产品及集中监控系统,构建了一个从底层设备感知到顶层平台管理的完整安全防护体系。该系统不仅严格满足了国家标准对医疗2类场所的强制要求,更通过其智能化、网络化的功能,显著提升了供电的可靠性和医院电气运维的管理水平。安徽某医院的实践案例充分验证了该方案的有效性。随着智慧医院建设的不断深入,这种集实时监测、精细定位和集中管理于一体的解决方案,必将成为保障医疗活动安全、提升医院现代化管理水平的关键技术设施。




