在现代通信、频谱监测、电子对抗、卫星导航等领域,多模式数字接收机需具备同时兼容多种通信制式、覆盖宽频段频谱、精准捕获微弱信号的核心能力,以应对复杂电磁环境下的多样化信号接收需求。
在复杂电磁环境中,多模式数字接收机需精准接收不同频段、不同调制制式(如PSK、QAM、FSK、MSK等)的信号,并完成信号的解调与分析,国芯思辰的双通道模数转换器高采样率(最高可达80MSPS)和16位的高精度分辨率,能够很好地满足多模式数字接收机对不同信号的采集要求。
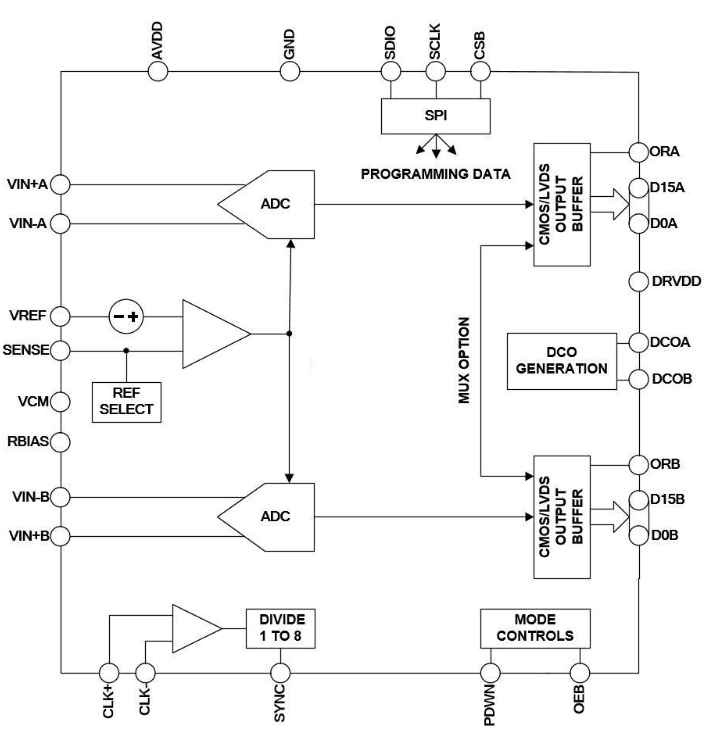
该国产模数转换器是采用多级差分流水线架构,内置输出纠错逻辑,在 80MSPS 数据速率时可提供16位精度,内置高性能采样保持电路和片内基准电压源,并保证在整个工作温度范围内无失码。该ADC内置多种功能特性,可使器件的灵活性达到最佳、系统成本最低,例如生成可编程数字测试码等。可获得的数字测试码包括内置固定码和伪随机码,以及通过串行端口接口 (SPI) 输入的用户自定义测试码。

『芯片』采用一个差分时钟输入来控制所有内部转换周期。数字输出数据格式为偏移二进制、格雷码或二进制补码,每个ADC通道均有一个数据输出时钟 (DCO),用来确保接收逻辑具有正确的锁存时序。该器件支持 1.8V/3.3V CMOS输出,输出数据可以在单条输出总线上多路复用。
主要性能 :
• 1.8V模拟供电
• 1.8V或3.3V数字输出供电
• 低功耗:294mW (80MSPS)
• 信噪比 (SNR):76.6dBFS (fin = 30.5MHz@80MSPS)
• 无杂散动态范围 (SFDR):86dBFS (fin = 30.5MHz@80MSPS)
• 片内基准电压源和采样保持电路
• 提供QFN-6封装,PIN TO PIN替换AD9269
注:如涉及作品版权©️问题,请联系删除。




