
810-NSK滚珠丝杠 RNFBL2510A5S+RS2510A061 产品参数介绍 nsk丝杆安装
我司()是一家专业的NSK一级代理经销商,致力于销售、维修和加工NSK品牌的产品。作为NSK的授权代理商,我们提供广泛的NSK产品,包括滚珠丝杠、直线导轨、模组、DD马达、精密轴承、自动化设备以及相关配件等。
滚珠丝杠RNFBL2510A5S+RS2510A061 实物图:

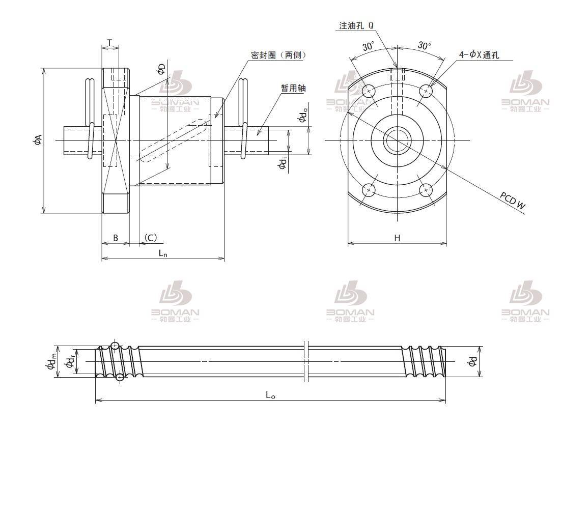
NSK滚珠丝杠 RNFBL2510A5S+RS2510A061 尺寸图:

NSK滚珠丝杠RNFBL2510A5S+RS2510A061 参数:
丝杠轴外径& : 25
导程& : 10
jrhz.info丝杠轴底径& : 19
滚珠节圆直径& : 26
钢球直径& : 6.35
精度等级& : Ct10
螺母直径& : 60
法兰直径& : 96
螺母长度& : 9.5
螺母安装PCD& : 78
额定动负载Ca:N& : 31800
额定静负载C0a:N& : 70300
有效圈数& : 2.5×2
法兰盘宽度& : 19
法兰安装孔通孔直径& : 9
法兰安装孔沉孔直径& :
法兰安装孔沉孔深度& :
轴向刚度K(N/μm)& :
:
我司有这近7000平的NSK产品的仓储,能满足您的急需要求。我司同事还做产品加工维修服务,期待您的咨询,我们竭诚为您服务。







相关检索:
滚珠丝杠图片高清,滚珠丝杠选型计算实例,滚珠丝杠图纸配合尺寸标注,滚珠丝杠型号及参数表,国内滚珠丝杠厂家排名,滚珠丝杠的工作原理图解,滚珠丝杠副的工作原理,机床滚珠丝杠品牌排行榜前十名,滚珠丝杠型号及参数表图片,滚珠丝杠选型计算
相关问答:
1、 为什么要减小滚珠丝杠副的基本导程Lo?
通过以下几种方式来实现滚珠丝杠副的导程Lo的减小:1. 更换更细小的滚珠或调整滚珠的数量:更细小的滚珠可以减小滚珠丝杠副的导程,但会牺牲负载能力;调整滚珠的数量也可以改变导程,但可能需要更换滚珠丝杠副的配件。2. 更改滚珠丝杠副的螺纹:更细小的螺纹也可以减小导程,但会降低负载能力。更改螺纹可能需要更换滚珠丝杠副的配件。3. 调整预紧力:适当增加预紧力可以减小导程,但会增加滚珠丝杠副的摩擦力,影响运动的平滑性。4. 更换更精密的滚珠丝杠副:更精密的滚珠丝杠副可以提供更小的导程,但会增加成本。需要根据具体情况来选择最适合的方法来减小滚珠丝杠副的导程Lo。
2、 滚珠丝杠周向展开会不会影响机器的寿命?
滚珠丝杠周向展开是指滚珠丝杠在工作时,滚珠在丝杠周向上展开,从而形成一个完整的环形轨迹。这种展开状态可以有效地减小滚珠与丝杠之间的摩擦,使得滚珠丝杠的效率更高、使用寿命更长。同时,滚珠丝杠周向展开还可以提高系统的刚性和精度,使得系统的运动更加平稳和精确。因此,在机床、数控机床、自动化生产线、航空航天等领域,滚珠丝杠周向展开被广泛应用。
3、 安装滚珠丝杠珠子的材料和硬度要求是什么?
- 准备工具:滚珠丝杠、珠子、扳手、钳子、橡皮锤、润滑油等。2. 首先将珠子放入滚珠丝杠的螺旋槽中,注意珠子要洁净无杂质。3. 使用扳手或钳子将螺旋槽上的珠子按压到底部,确保珠子被压实。4. 使用橡皮锤轻轻敲打滚珠丝杠的末端,让珠子进入滚珠丝杠的滚珠道中。可以在滚珠丝杠底部垫一块软木板,以避免末端受损。5. 重复以上步骤,直至滚珠丝杠的所有珠子都被安装到位。6. 最后,在滚珠丝杠上涂抹润滑油,以确保珠子的顺畅运转。注意事项:1. 在安装过程中要保持滚珠丝杠的干净和整洁,防止灰尘或杂质进入。2. 安装时要注意珠子的方向,确保珠子朝向正确。3. 在安装过程中,不能使用过大的力量,以免损坏滚珠丝杠或珠子。4. 在安装完成后,要进行测试,检查珠子是否正常运转。
4、 有哪些行业会使用浙江滚珠丝杠?
浙江滚珠丝杠是一种机械传动元件,它由螺纹杆、螺母和滚珠组成。通过螺纹杆和螺母之间的螺旋运动,滚珠在滚道内滚动,从而实现精度高、速度快、负载能力强的直线运动。浙江滚珠丝杠主要用于各种CNC机床、自动化设备、精密机械、航空航天和国防等领域。
5、 这种升降机的维护保养需要注意哪些事项?
青铜滚珠丝杠升降机是一种通过青铜滚珠丝杠传动来实现升降的机械设备。它具有结构简单、传动效率高、精度高、噪音小、寿命长等优点,广泛应用于各种工业领域中的升降和定位系统。青铜滚珠丝杠升降机通常由电机、青铜滚珠丝杠、导轨、工作台等组成。电机驱动青铜滚珠丝杠旋转,通过滚珠的滚动来带动工作台上下移动,实现升降的目的。青铜滚珠丝杠升降机可以根据需要进行定制,包括升降高度、载重能力、速度等参数。青铜滚珠丝杠升降机广泛应用于电子、纺织、机械、医药、化工、印刷、汽车、物流等领域,如自动化生产线、搬运系统、工作台、舞台升降等场合。
6、 该厂家的产品价格和性价比如何?
很抱歉,目前我无法提供具体的抚州滚珠丝杠电机厂家信息。建议您通过搜索引擎或者相关行业协会进行查询。
7、 如何检测滚珠丝杠的平衡状态?
调整滚珠丝杠平衡的方法如下:1. 安装滚珠丝杠时,要确保它的支撑处水平,以免在运转时出现偏差。如果支撑处不水平,可以使用调整垫片进行调整。2. 检查滚珠丝杠的支撑座是否正常,支撑座如果松动或损坏,也会导致滚珠丝杠偏差。3. 检查滚珠丝杠的滚珠是否正常,如果滚珠损坏或过早磨损,也会导致滚珠丝杠偏差。4. 如果滚珠丝杠偏差较大,可以使用调整螺母进行调整。先松开调整螺母,然后调整滚珠丝杠的位置,最后再将调整螺母拧紧即可。5. 如果上述方法都不能解决滚珠丝杠偏差的问题,可能需要更换滚珠丝杠或寻求专业的维修人员进行维修。
8、 什么情况下需要使用滚珠丝杠?
SKF QGFE 滚珠丝杠是一种高精度的机械传动装置。它采用了滚珠轴承和丝杠螺纹副的结合,能够实现高精度、高速度和高负载的传动。其主要特点包括: 1. 高精度:采用滚珠轴承和丝杠螺纹副的结合,能够实现高精度传动,精度可达到0.01mm。 2. 高速度:滚珠丝杠采用滚珠轴承,在高速运转时能够保持稳定的运行,其转速可达到2000rpm。 3. 高负载:滚珠丝杠采用了高强度的材料,能够承受较大的负载。 4. 长寿命:采用特殊的润滑方式和材料,能够延长滚珠丝杠的使用寿命。 SKF QGFE 滚珠丝杠广泛应用于工业自动化装置、机床、『机器人』️等领域,是一种高精度、高效率的机械传动设备。
9、 这种锁紧螺母的使用方法是什么?
- 六角锁紧螺母(Nylon Insert Lock Nut)2. 环形锁紧螺母(Split Lock Washer Nut)3. 圆锥形锁紧螺母(Cone Lock Nut)4. 锁紧垫圈螺母(Lock Washer Nut)5. 波形锁紧螺母(Wave Lock Nut)6. 自锁螺母(Self-Locking Nut)7. 轴向锁紧螺母(Axial Lock Nut)8. 球形锁紧螺母(Ball Lock Nut)9. 带弹簧锁紧螺母(Spring Lock Nut)10. 链锁紧螺母(Chain Lock Nut)
10、 江汉滚珠丝杠的使用寿命有多长?
江汉滚珠丝杠是一种机械传动装置,它是由滚珠丝杠和导轨组成的。滚珠丝杠是一种将旋转运动转化为直线运动的装置,它通过滚珠的滚动在导轨上滑动,从而实现工件的移动。江汉滚珠丝杠具有高精度、高刚性、高效率、低噪音等优点,被广泛应用于机床、自动化设备、航空航天等领域。




